公有地の拡大の推進に関する法律に基づく届出及び申出について
制度のあらまし
県、市町村等が、住みよい街づくりをするために必要な道路、公園、学校などの公共用地を計画的に取得することを目的として、昭和47年に「公有地の拡大の推進に関する法律(公拡法)」が制定されました。
この法律には、土地の所有者が、
- 一定の要件を満たした土地を売買などするときは、知事(土地が市の区域内に所在する場合にあっては市の長)に事前に届け出ること(届出制度)
- 一定の要件を満たした土地を県、市町村等に買取りを希望するときは、知事(土地が市の区域内に所在する場合にあっては市の長)に申出ができること(申出制度)
の二つの制度が設けられており、県、市町村等がその土地を公共施設の整備等に必要なものと判断したときは、土地の所有者と協議を行い、合意に至ればその土地を買取らせていただくというものです。
なお、大府市では、愛知県事務処理特例条例に基づき、この法律に関する権限の移譲を受けておりますので、大府市内における土地の届出・申出については、大府市長に届出・申出ができます。
届出を要する土地
大府市内にある土地の所有者が、次のような一定の要件を満たした土地を売買や交換などにより有償で譲渡しようとするときは、契約を結ぶ前にその旨を大府市長に届け出る必要があります。
|
対象となる土地 |
面積要件 |
|---|---|
次に掲げる土地を一部でも含む土地
|
200平方メートル以上 |
| 一定規模以上の土地 | 市街化区域 5,000平方メートル以上 |
※ 次のような土地の場合は、届出の必要はありません。
- 国、地方公共団体などに譲渡する場合
- 重要文化財の指定を受けた土地又は大都市地域における住宅及び住宅地の供給の促進に関する特別措置法の届出を要する土地の場合
- 都市計画施設又は土地収用法等の事業の用に供するために譲渡する場合
- 都市計画法の開発許可を受けた開発行為に係る開発区域内の土地の場合
- 都市計画法の先買いの対象となる土地の場合
- 生産緑地法の申出をした土地で、買い取らない旨の通知があってから、1年以内に申出者本人が譲渡する場合(ただし、1年以内に申出者から土地の所有権を取得した者が、有償で譲渡する場合は、届出の対象となります。)
- 公拡法の届出又は申出をした土地で、県、市町村等と協議が成立しなかった等のものについて、譲渡制限期間が経過してから1年以内に届出(申出)者本人が譲渡する場合(ただし、1年以内に届出(申出)者から土地の所有権を取得した者が、有償で譲渡する場合は、届出の対象となります。)
- 国土利用計画法(国土法)の規定による規制区域、監視区域又は注視区域内において、同法に基づく土地取引の許可申請又は事前届出をした場合(現在、愛知県ではこれらの区域の指定はありません。)
- 農地又は採草放牧地の譲渡で、農地法第3条第1項の許可を要する場合
申出制度
大府市内にある土地の所有者が、県や市等の公的機関に対して、次のような一定の要件を満たした土地の買い取りを希望するときは、その旨を大府市長に申し出ることができます。
申し出ができる一定要件
都市計画区域内:100平方メートル以上の土地
手続きの流れについて
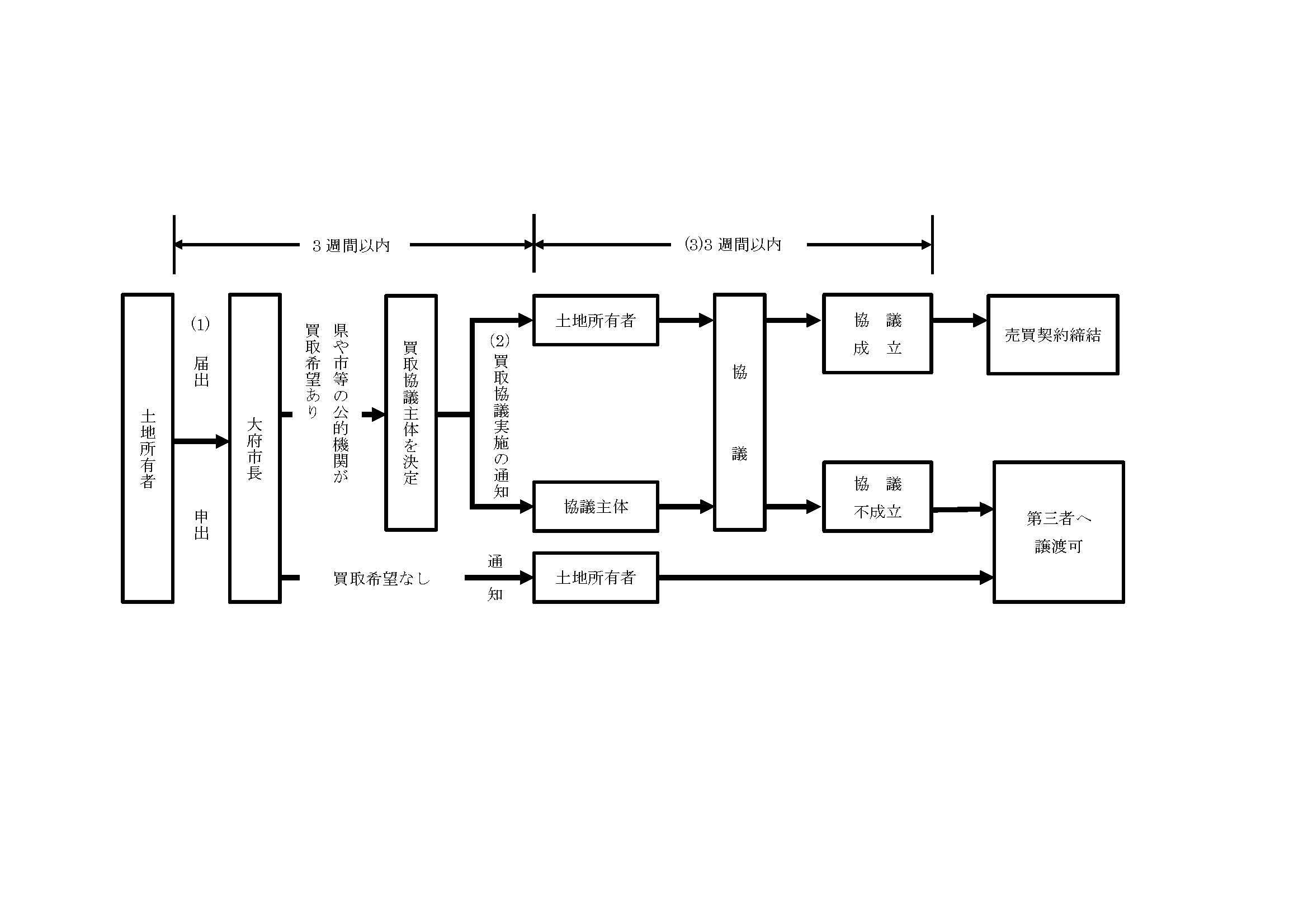
土地所有者は、譲渡する前に、大府市長あての届出書に必要な書類を添付して、建設総務課へ1部提出してください(下図(1))。
届出を受けた土地について、県や市等の公的機関が公有地として必要と判断した場合は、大府市長は届出がなされた日から起算して3週間以内に買取りの協議をさせていただく旨を通知します(下図(2))。また、買取協議の実施の通知があった日から起算して3週間以内は、他人にその土地を譲渡することはできません(下図(3))。申出についても同様です。

| 提出書類 |
|
|---|---|
| 提出部数 | 各1部 |
-
土地有償譲渡届出書 (Word 37.5KB)
届出の場合に使用します。 -
土地有償譲渡届出書 (PDF 87.0KB)
届出の場合に使用します。 -
土地買取希望申出書 (Word 36.0KB)
申出の場合に使用します。 -
土地買取希望申出書 (PDF 85.0KB)
申出の場合に使用します。
税制上の優遇措置について
届出者又は申出者は、協議の成立により、土地を県や市町村等へ売却していただいた場合は、租税特別措置法に基づき、その譲渡所得金額から、1,500万円までの特別控除が受けられます。(特別控除に関する詳しい要件等についてはお近くの税務署にご相談ください。)
届出又は申出を行えば、県や市町村等が必ず買取るという制度ではありませんので、御注意ください。
詳しくは、下記までお問い合わせください。
PDFファイルをご覧いただくには、「Adobe(R) Reader(R)」が必要です。お持ちでない方はアドビシステムズ社のサイト(新しいウィンドウ)からダウンロード(無料)してください。
このページに関するお問い合わせ
都市整備部 建設総務課
建設管理係 電話:0562-45-6232
市営住宅施設係 電話:0562-85-3896
ファクス:0562-47-3347
都市整備部 建設総務課へのお問い合わせは専用フォームをご利用ください。
